Product Summary
| RVE35 Series Solar Pump VFD | | |
| | DC /AC INPUT | |
| | Excoctus design | |
| | MPPT | |
| Parametric | ||
| Exemplar | RVE35-T3-280G ~ RVE35-T3-315G |
| Voltage | 350VDC ad 800/900VDC input, 3 PH 380VAC ad 440VAC input | |
| P aestimavit (kW) | 280/315 | |
| Ratum est vena (A) | 520/600/680 | |
| MPPT Vmp/Voc | 540/660 | |
| Dimensiones (mm) | 1035*620*400 | |
Applicationem Backgrounds
| Annis, cum ingravescente severitate globalis "quaestionis cibi" et "quaestionis cibi" et "quaestionis energiae" soleatus aquae solaris sensim appellati sunt ut effectiva industrialis integrationis fructus ad solvendum quaestionem augendi outputa terrae efectivae colendae ac fossiliae energiae purae energiae reponendae. Quam ob rem, exemplar oeconomicum emergens natum est, in quo industria solaris elaboravit in compositione cum industrias traditis ut conservatio aquae agriculturae, imperium desertum, usus aquae domesticae, et aqua urbana. |
Product Features
• Maximum potentiae punctum tracking (MPPT) cum velocitate responsionis velocitate et operatione stabili
• Siccum currere (sub onere) praesidium
• Motor maxime current praesidium
• input virtutis praesidium
• Minimum stop frequency praesidium
• PQ (potestas/fluxus) perficiendi curva dat calculandum, fluxus output ex sentina
• Digital imperium ad operationem automaticam plene, notitias repositionis et functionum tutelaris
• virtus intelligentis moduli (IPM) ad principale ambitum
• DUXERIT ostentationem panel operantem et sustentationem remotam potestatem
• Dual modus AC et DC copia potentiae initus est available
• Aquae Minimum specillum sensorem, et aqua munus munus graduum moderandi
• temperies ambientium pro utendo: -10 ad 50˚C.
| Excoctus design Installation area reducitur L% Volumen minui XXX% | |
| | Plenus-automaticus trium probationum machinatio fuci efficiens adhibetur ut tabulae tutelae tabulae circundationis crebrescat, efficaciter impediendo damnum tabulae ambitus a vento pulvere, gas mordax et aere humido. |
| | Deprehensio plena automataria instrumentorum accommoda ad probandas varias electricales indices et tutelam functionum fructuum sub onere aestimatorum. |
| | Omnes producti perfecti senes sub onere pro 48 horis ad altam temperiem 60 graduum, et tunc omnes indices electricas sub onere probantur, ut productum defectum reducere rate. |
Exemplar Nomenclature
S2 series generalis generis:
Vmp 310VDC vel 220VAC input, 1/3 phase 0-220VAC output
| Exemplar | Ratum est | Output intentione ( VAC ) | Potestati applicabilis est(kW) pump | Externum coegi magnitudine H*W*D (mm) | MPPT Vmp/Voc |
| RVE35-S2-0R7G | 4 | 0-220 | 0.75 | 187*86*152 | 310/372 |
| RVE35-S2-1R5G | 7 | 0-220 | 1.5 | ||
| RVE35-S2-2R2G | 10 | 0-220 | 2.2 | ||
| RVE35-S2-3G | 13 | 0-220 | 3 | 265*105*164 | |
| RVE35-S2-4G | 16 | 0-220 | 4 |
Generalis generis T3 series:
Vmp540 ad 650VDC vel 380 ad 460VAC input, 3 phase 0-380/460VAC output
| Exemplar | Ratum est | Output intentione ( VAC ) | Potestati applicabilis est(kW) pump | Externum coegi magnitudine H*W*D (mm) | MPPT Vmp/Voc |
| RVE35-T3-0R7GB | 2.5/3.7 | 0-380/440 | 0.75 | 187*86*152 | 540/660 |
| RVE35-T3-1R5GB | 3.7/5 | 0-380/440 | 1.5 | ||
| RVE35-T3-2R2GB | 5/10 | 0-380/440 | 2.2 | ||
| RVE35-T3-4GB | 10/13 | 0-380/440 | 4.0 | ||
| RVE35-T3-5R5GB | 13/16 | 0-380/440 | 5.5 | 265*105*164 | |
| RVE35-T3-7R5GB (Plastic Case) | 16/25 | 0-380/440 | 7.5 | ||
| RVE35-T3-7R5GB (ferrum casum) | 16/25 | 0-380/440 | 7.5 | 333* 150* 216 | |
| RVE35-T3-11GB | 25/32 | 0-380/440 | 11 | ||
| RVE35-T3-15GB | 32/38 | 0-380/440 | 15 | ||
| RVE35-T3-18GB | 38/45 | 0-380/440 | 18 | 383*180*228 | |
| RVE35-T3-22GB | 45/60 | 0-380/440 | 22 | ||
| RVE35-T3-30GB | 60/75 | 0-380/440 | 30 | 435* 175* 265 | |
| RVE35-T3-37GB | 75/90 | 0-380/440 | 37 | ||
| RVE35-T3-45G | 90/110 | 0-380/440 | 45 | 670* 265* 358 | |
| RVE35-T3-55G | 110/150 | 0-380/440 | 55 | ||
| RVE35-T3-75G | 150/170 | 0-380/440 | 75 | ||
| RVE35-T3-90G | 170/210 | 0-380/440 | 90 | 845*305*358 | |
| RVE35-T3-110G | 210A/250 | 0-380/440 | 110 | ||
| RVE35-T3-132G | 250A/300 | 0-380/440 | 132 | ||
| RVE35-T3-160G | 300A/340 | 0-380/440 | 160 | 788*D* 360 | |
| RVE35-T3-185G | 340/380 | 0-380/440 | 185 | ||
| RVE35-T3-200G | 380/415 | 0-380/440 | 200 | 900*540* 358 | |
| RVE35-T3-220G | 415/470 | 0-380/440 | 220 | ||
| RVE35-T3-250G | 470/520 | 0-380/440 | 250 | ||
| RVE35-T3-280G | 520/600 | 0-380/440 | 280 | 1035*620*400 | |
| RVE35-T3-315G | 600/680 | 0-380/440 | 315 | ||
| RVE35-T3-355G | 680/750 | 0-380/440 | 355 | 1290*780*410 | |
| RVE35-T3-400G | 750/810 | 0-380/440 | 400 |
Optimum euismod
| | Summus perficientur vector imperium ad apparatum accurationem amplio |
| Maximum output frequentiam sub vector potestate 1500 Hz attingit, quod alta praecisione consequi potest outputum intra 1o-triplum debilem celeritatem magneticae regulae. | |
| | |
| | Perfecta coegi ad synchronum motorum |
| Vena agitationis synchronae motoris in aperto-lope vectoris modum in 500 Hz cum onere 100% aestimavit. | |
| | |
| | Certa calor dissipationis design |
| Duplex independens aerem ductus designationis technologiae cognoscere potest usum instrumenti sentinae solaris cum 50℃ anulo temperato sine reductione capacitatis. |
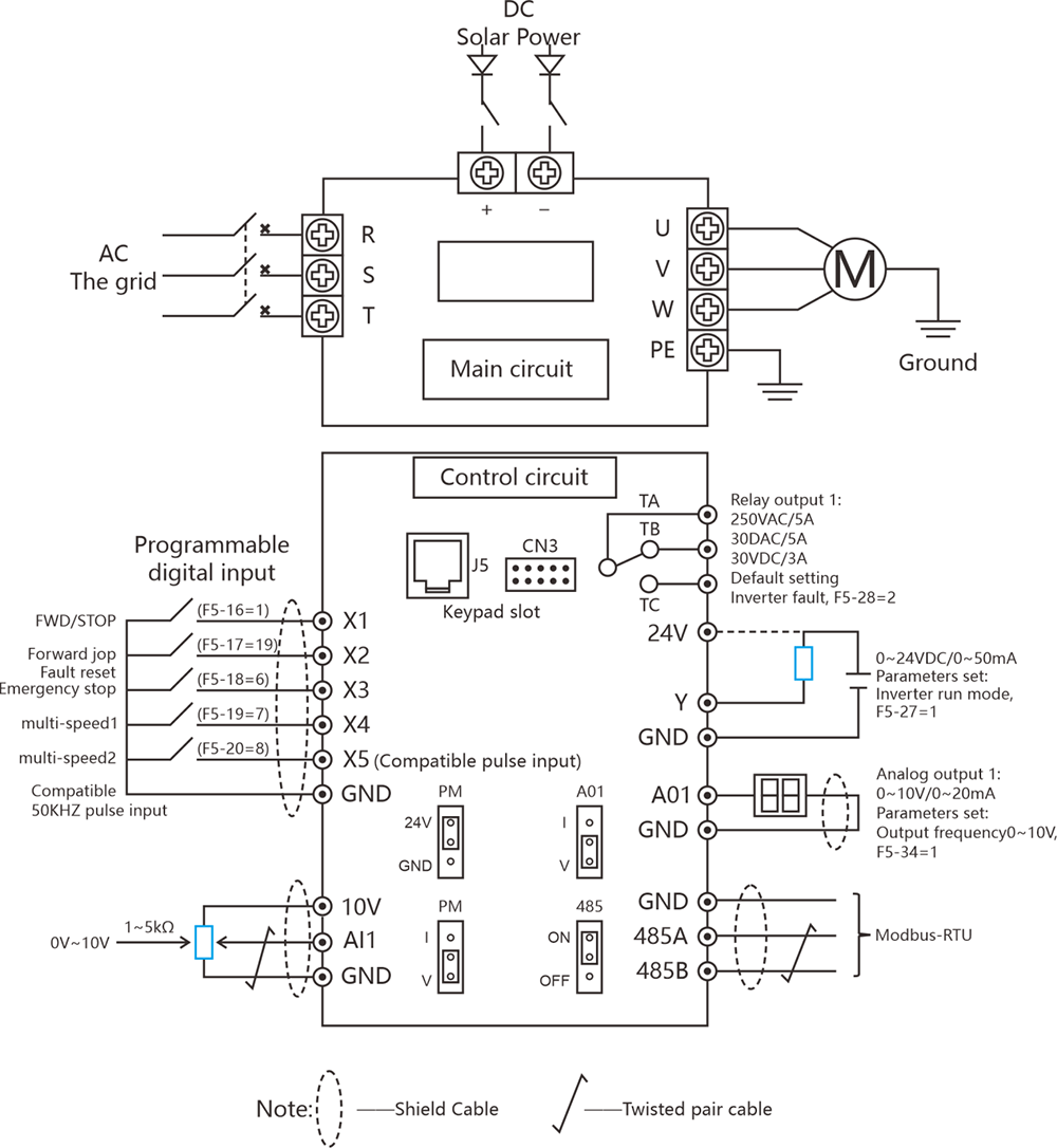
Wiring Diagram
Pro RVE35 producta 0.75kw-7.5kw, sequentia nota placet:
Productum X6 et X7 logicam input terminales non continet;
2. Productum tantum includit 1 analog input, 1 analogum output, et 1 Nullam output











































